prevnext

阻挡片套件

  • 类型:精益管配件
    型号:GLT28-Y-3102X
    单位重量:200g
  • 咨询热线:400-8055-828
跟此产品相关的产品
  • 产品详情

  • 联系我们

    产品介绍
    undefined


    阻挡片套件,用于料车料架对接之后自动上下物料,正向侧向对接场景均可使用,根据物料滑道的数量灵活选择阻挡片套件数量。


    产品参数
    undefined


    产品名称阻挡片套件
    型号GLT28-Y-3102X
    材料铝合金+不锈钢
    产品单重200g
    包装数量54套
    包装重量6.8kg
    包装尺寸300*220*150(mm)


    图片展示
    undefined


    阻挡片套件实图

    阻挡片套件实图

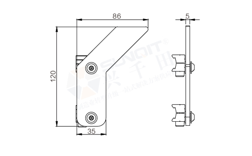
    阻挡片套件尺寸图

    阻挡片套件尺寸图



    精益管配件,铝合金管配件,线棒配件

    订购:阻挡片套件

    兴千田智能L&L智能工厂一站式解决方案

    精益运营一站式解决方案

    精益是东方的思维方式,讲究从宏观的角度出发,整体实施来解决问题,是一种类比法。

    详细了解

    智能工厂L-MES信息化解决方案

    MES的定位,是处于计划层和现场自动化系统之间的执行层,主要负责车间生产管理和调度执行。

    详细了解

    精益生产线解决方案

    全天服务,工程师上门服务,现场沟通提出生产线设计方案!

    详细了解

    智能物流仓储解决方案

    生产管理的专家团队直接深入到工厂,调查分析,为提高生产效率提出合理的建议。

    详细了解

    精益人才培养解决方案

    从精益的视角对企业的人力资源实现精细化和准确化管理,最大限度地减少人力资源浪费!

    详细了解

    全国咨询热线

    400-8055-828