关于兴千田
兴千田致力于客户终身价值实现,针对企业不同成长阶段管理需求,从研发、应用、人才、服务等多重维度提供一站式服务支撑。
产品介绍:![]()
此款精益管叫托盘专用铝管,一种新型的托盘系统主体型材,其产品具有高度的独立性,尺寸可以按需求自由拼接。型材侧面及底部与铝管有相同凸出部卡槽,可以和主体铝管产品,如:工作台、周转车、物料架等完美结合。
产品参数:![]()
| 产品名称 | 托盘专用铝管 |
| 型号 | GLT28-T-3015A |
| 材料 | 6005-T6 |
| 厚度 | 1.7mm |
| 表面处理 | 阳极氧化 |
| 长度 | 4米 |
| 单位重量 | 840g/m |
| 包装数量 | 12根 |
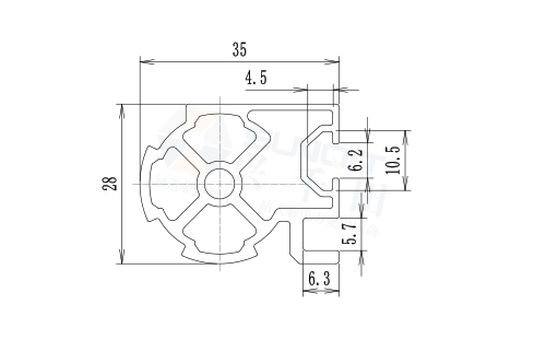
尺寸图展示:![]()

托盘专用铝管实拍图

托盘专用铝管尺寸图
联系我们:
![]()
兴千田,精益管生产厂家,专注于精益管,线棒,精益生产线,精益管工作台,线棒货架,周转车,周转箱,LCIA低成本自动化13年,能够满足市场的需求,专业的工程设计团队,兴千田是您精益生产设备供应商的首选。
我们的产品除了单件器件外所有的成品都可以为您专业量身定做,给予你最适合的柔性自动化流水线价格,为您设计符合贵公司车间需求的现代一流精益工厂。如果 您对兴千田公司的柔性生产线报价想有更详细了解可以在线咨询我们的客服或拨打全国免费咨询电话:400-8055-828,我们欢迎您的咨询!
订购:托盘专用铝管
精益是东方的思维方式,讲究从宏观的角度出发,整体实施来解决问题,是一种类比法。
详细了解
MES的定位,是处于计划层和现场自动化系统之间的执行层,主要负责车间生产管理和调度执行。
详细了解
生产管理的专家团队直接深入到工厂,调查分析,为提高生产效率提出合理的建议。
详细了解
从精益的视角对企业的人力资源实现精细化和准确化管理,最大限度地减少人力资源浪费!
详细了解