prevnext

双孔功能辅件

  • 类型:精益管配件
    型号:GLT28-J-3019J
    单位重量:0.057kg/套
  • 咨询热线:400-8055-828
跟此产品相关的产品
  • 产品详情

  • 联系我们

    产品介绍
    undefined


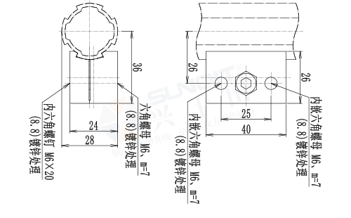
      双孔功能辅件,自带两个M6安装孔,标准孔距为25mm,产品应用面厚度不同,一面与铝管成水平面,两套产品相交可以组成任意角度的交叉定位(也可安装在43mm管材外壁卡扣上)。


    产品参数
    undefined


    产品名称双孔功能辅件
    型号GLT28-J-3019J
    材料铝合金ADC-12
    产品单重57g/套
    包装数量336套
    包装重量19.7kg
    包装尺寸300*220*150(mm)


    图片展示
    undefined


    双孔功能辅件应用图

    双孔功能辅件应用图

    双孔功能辅件尺寸图

    双孔功能辅件尺寸图


    双孔功能辅件,精益管配件

    订购:双孔功能辅件

    兴千田智能L&L智能工厂一站式解决方案

    精益运营一站式解决方案

    精益是东方的思维方式,讲究从宏观的角度出发,整体实施来解决问题,是一种类比法。

    详细了解

    智能工厂L-MES信息化解决方案

    MES的定位,是处于计划层和现场自动化系统之间的执行层,主要负责车间生产管理和调度执行。

    详细了解

    精益生产线解决方案

    全天服务,工程师上门服务,现场沟通提出生产线设计方案!

    详细了解

    智能物流仓储解决方案

    生产管理的专家团队直接深入到工厂,调查分析,为提高生产效率提出合理的建议。

    详细了解

    精益人才培养解决方案

    从精益的视角对企业的人力资源实现精细化和准确化管理,最大限度地减少人力资源浪费!

    详细了解

    全国咨询热线

    400-8055-828