prevnext

40T型连接板

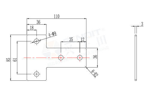
  • 型号:GLPXX-F-1031N
    用途:用于4040,4080铝型材外连接
  • 咨询热线:400-8055-828
跟此产品相关的产品
  • 产品详情

  • 联系我们

    产品参数:
    undefined

    型号GLPXX-F-1031N
    单重126.5g/个
    材料冷轧钢板
    表面处理镀镍

    图片展示
    undefined


    2.png

    3.png



    线棒,精益管,精益生产线,精益管工作台,线棒货架,周转车,精益管配件,周转箱,低成本自动化,细胞柔性生产线,精益培训

    订购:40T型连接板

    兴千田智能L&L智能工厂一站式解决方案

    精益运营一站式解决方案

    精益是东方的思维方式,讲究从宏观的角度出发,整体实施来解决问题,是一种类比法。

    详细了解

    智能工厂L-MES信息化解决方案

    MES的定位,是处于计划层和现场自动化系统之间的执行层,主要负责车间生产管理和调度执行。

    详细了解

    精益生产线解决方案

    全天服务,工程师上门服务,现场沟通提出生产线设计方案!

    详细了解

    智能物流仓储解决方案

    生产管理的专家团队直接深入到工厂,调查分析,为提高生产效率提出合理的建议。

    详细了解

    精益人才培养解决方案

    从精益的视角对企业的人力资源实现精细化和准确化管理,最大限度地减少人力资源浪费!

    详细了解

    全国咨询热线

    400-8055-828